



1.产品描述:
上海美续测控MX-LL-116-10热式气体质量流量计是利用热传导原理测流量的仪表,该仪表采用恒温差法对气体质量流量进行准确测量。具有体积小、数字化程度高、安装方便,测量准确等优点。
传感器部分由两个基准铂电阻温度传感器组成。采用桥式环路,一个传感器测量流量温度,另一个传感器维持高于流体温度的恒温差,根据发热元件耗散热量与流速的关系实现流量测量的。一般的方法是将置于流体中的很细的金属丝,通以电流加热,由于流体流动将迫使热丝冷却,并且被冷却的程度是随流速而变化的,因此可以通过测量热丝电阻值的变化求出流速和流量。可以在高温和高压条件下进行流量测量。
2.应用领域:
☛石油化工、钢铁冶金
☛给水排水、水利灌溉
☛水处理、污水处理站(环保污水控制)
☛泥浆、矿浆、纸浆等流体
☛蒸馏脱销工程系统、冷凝水测量
☛造纸(纸浆)、泥浆、医药、食品等工农业的生产公司过程流量测量和控制
3.产品特点:
1、无可动部件,密封面减少,大大降低泄漏率,便于安装和日常维护;
2、测量范围宽,最大测量范围可达20︰1(液体)或30︰1(气体);
3、计量准确、精度高,法兰式可达0.2%(液体)或0.5%(气体);
4、灵敏度极高,能测量超小流量,其可测量低流速为0.08m/s,电磁流量计0.5m/s;
5、重复性好,一般为0.05~0.08%,具有可选小信号切除,非线性修正,滤波时间可选择;
6、压力损失小,小口径仅为标准孔板的1/2△P左右;DN100口径以上压力损失开始大幅度减少;
7、标定方便,除可采用标准装置检定外,还可采用干式标定方法,即采用砝码挂重法,单键操作即可完成标定;8、可根据实际需要更换阻流件而改变流量范围,在线可拆装插入式结构可实现不停产,不断流维修或更换;9、低功耗电池现场显示,能在线直读示值,显示屏可同时读取瞬时流量累积流量及百分比棒图,并可切换显示补偿温度及补偿压力示值;10、抗干扰、抗杂质能力特强,多种输出形式,能远传各种参数,使用无需拌热。11、测量气体无需温度压力补偿,可直接显示标况体积流量。
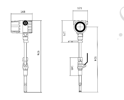
4.外形尺寸:

5.选型参数规格:

6.选型指南:
型号 | 测量通径 | 精度等级 | 温度 | 供电 | 输出 | 连接方式 | 本体材质 | 无 | 无 |
MX-LL-116-10 | DN150 | 1% | 185° | 24VDC | 4-20MA | DN15 | 304不锈钢 | ||
订货举例: | MX-LL-116-10-DN150-A2-W1-E2-S2-DN15-F2 | ||||||||
7.安装提醒
如基本口径是DN80-1000 插入深度是管径的一半。管径再大些,插入深度可以按四分之一甚至八分之一的位置安装。插入式都是管道开25mm的孔,然后底座无螺纹一端焊接在管道上,然后插入传感器,底座和传感器上的球阀连接,按传感器上的刻度调整好插入深度,拧紧螺纹固定即可。
如有不懂选型请咨询销售工程师,或者当地经销商。
公司名称:上海美续测控技术有限公司
办公地址:上海松江区小昆山镇国家经济开发区中德路 860 号 6 幢
联系电话:021-67881626
公司网址:www.shmxck.com 、详细说明请参照使用说明