


400 6626 286
1.产品描述:
高压压力变送器MX-YL-22:采取应变片形式,把物理能转换为可视形式的一种元器件,是现在自动化,自控行业必不可缺少的,核心部位。其作用就是把压力信号变成电信号输出到控制、分析、显示终端,变送器是在传感器的基础上添加了放大电路,把电信号变为稳定的放大信号传输出去,在工业自动化、航空、航天、军事领域均有广泛的应用。

2.应用领域:
☛工业自动化应用领域
☛水处理,楼宇给水方面
☛机械工程应用方面
☛医疗卫生应用食品及饮料加工行业石油化工
☛实验或测试设备液压领域
3.产品特点:
☛量程大,耐高压
☛进口耐高温敏感元件
☛激光冷焊工艺、散热片装置
☛精度高,免调校、全不锈钢结构
☛微型放大器,电压、电流信号输出
☛抗干扰强、长期稳定性好
☛形式结构多样化,安装使用方便
☛量程范围宽,可测量绝压、表压和密封参考压力
☛抗振动、抗冲击
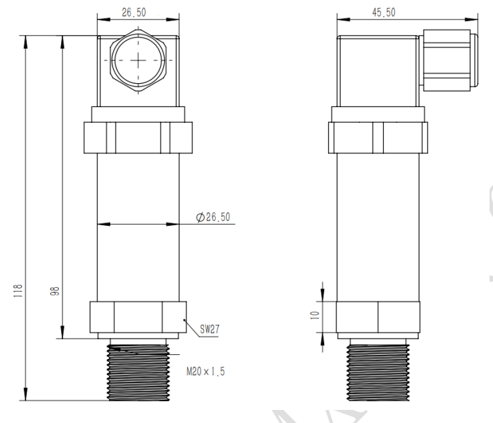
4.产品尺寸:
5.技术规格:
量程选择: | 0-600MPA(量程可以约定) |
综合精度: | 0.1%FS(代号S),0.25%FS(代号A);0.5%FS (代号B); |
非线性值: | 满量程的0.2% |
可靠性值: | 满量程的0.05% |
输出信号: | 4-20mA(两线制代码2); 0-10V(代码3);0-5V(三线制代码4) 4-20mA+HART(代码5);RS485(代码6) |
供电电压: | 24(12~36)VDC (放大信号)(代码E2) |
温度范围: | -20~180℃ |
补偿温度: | 0~65℃ |
过载压力: | 1.5倍额定压力 |
响应时间: | ≤1ms(上升到90%FS) |
本体材质: | 接液材质304(代码30A)316L(代码30B),外壳材质为不锈钢或硬制铝 |
电气连接: | (代号D1)赫斯曼(DIN43650),外壳防护IP65;防水格兰,外壳防护IP68(代号D2);航空插件,外壳防护IP45(代号D3); |
压力连接: | G1/4, G1/2, 1/2NPT, 1/4NPT, M12*1.5等(可按客户要求定制) |
6.订购指南:
型号 | 量程 | 精度 | 输出信号 | 螺纹接口 | 电气连接 | 其它要求 |
MX-YL-02 | 50MPA | 0.25 | 4-20MA | M20*1.5 | 赫斯曼 | --- |
订货举例: MX-YL-02-50MPA-A2-G1/2-D1 | ||||||
如有不懂选型请咨询销售工程师,或者当地经销商。
公司名称:上海美续测控技术有限公司
办公地址:上海市松江区小昆山镇国家经济开发区光华路488号
联系电话:021-67881626
公司网址:www.shmxck.com 、详细说明请参照使用说明