



400 6626 286
1.产品描述 :
MX-YL-15系列扩散硅式防爆数显电子压力开关是选用高精度、高可靠性压力传感器组件。经过高可靠性的放大电路及精密温度补偿。精堪的封装技术及完善得装配工艺确保了该产品的质量和性能。极大地满足客户的需要,适用于各种工业过程测量与控制。
MX-YL-15系列带4位数码管现场显示是采用具有世界先进水平的电子硅片技术,测量元件内无介质液体。具有抗过载、抗冲击能力强、线性好、长期稳定性高、温度范围宽、耐腐蚀等特点。使用于液压,军工、科研、航天、石油、化工、电力、海洋等领

2.应用领域:
☛机械自动化应用方面
☛各种水压、气压的测量
☛医疗卫生应用
☛食品及饮料加工行业
☛一般工业控制领域
☛纯化水制备、注射用水、纯蒸汽制备系统
3.产品特点:
☛采用高精度压力传感器和先进的信号处理技术,测量精度高迟滞小。☛采用LED数码管显示当前压力值,清晰直观,便于读取。☛开关量可在零点到满度之间任意设定。☛具有良好的抗干扰能力,可在恶劣的环境下稳定工作。☛按键调校及现场设置各种参数,操作方便。☛2路开关量输出,带载能力3.7A(PNP)/1.2A(NPN)☛能够快速响应压力的变化,及时输出相应的信号。
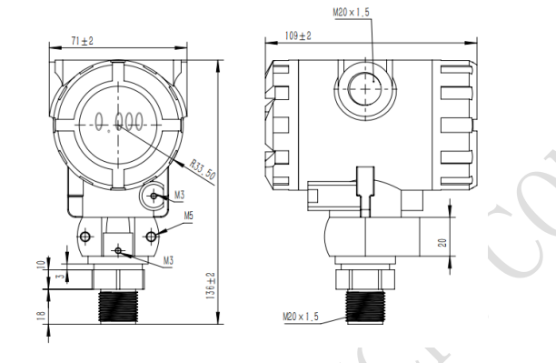
4.外形尺寸:

5.技术规格:
型号说明 | MX-YL-15系列产品 |
量程范围: | -0.1~0.1MPa~10MPa-100MPA |
综合精度: | 0.25%FS(代码A);0.5%FS(代码B/默认精度) |
非线性值: | 满量程的0.2%;响应时间:<4ms;开关寿命:>100万次;最流消耗:<60mA |
开关类型: | PNP;NPN; 负载容量:24V-3.7A/1.2A |
输出信号: | 4-20mA(代码1);4-20mA+PNP开关信号(代码);4-20MA+NPN开关信号(代码) |
供电电压: | 24(12~36)VDC (放大信号)(代码E2) |
工作温度: | -25~80℃ |
补偿温度: | -20~80℃ |
耐震情况: | 10g/0~500Hz |
介质材料: | 304(代码30A)316L(代码30B)、 可约定 |
电气连接: | M20×1.5 |
压力连接: | G1/4, G1/2, 1/2NPT, 1/4NPT, M20*1.5等(可按客户要求定制) |
6.订购指南:
型号 | 量程 | 输出信号 | 电气连接 | 螺纹连接 | 其它要求 |
MX-YL-15 | 40MPA | 4-20MA+PNP | M20×1.5 | G1/4 | --- |
订货举例:MX-YL-15-40MPA-A3-M20-G1/4 | |||||
7.特别提醒:
如有不懂选型请咨询销售工程师,或者当地经销商。
公司名称:上海美续测控技术有限公司
办公地址:上海市松江区三新北路1800弄国家电子商务园24号楼3层
工厂地址:上海松江区光华路650号
联系电话:021-67881626 集团电话:400-6626-286
公司网址:www.shmxck.com 、详细说明请参照使用说明